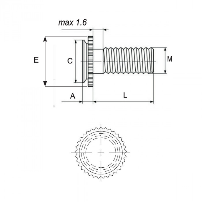
sheet hardness max 70 HRB
Code |
Min. sheet |
Thread |
Thread size |
A Max |
C Max |
E ±0.25 |
Hole Size +0.08 |
L ±0.4 |
Min. Sheet |
Minimum |
|
|---|---|---|---|---|---|---|---|---|---|---|---|
| 15CFHCM3-06 | 2.31 | M3x0.5 | M3x0.5 | 1.8 | 4.35 | 5.21 | 4.37 | 6 | 2.4 | 4 | Data sheet |
| 15CFHCM3-08 | 2.31 | M3x0.5 | M3x0.5 | 1.8 | 4.35 | 5.21 | 4.37 | 8 | 2.4 | 4 | Data sheet |
| 15CFHCM3-10 | 2.31 | M3x0.5 | M3x0.5 | 1.8 | 4.35 | 5.21 | 4.37 | 10 | 2.4 | 4 | Data sheet |
| 15CFHCM3-12 | 2.31 | M3x0.5 | M3x0.5 | 1.8 | 4.35 | 5.21 | 4.37 | 12 | 2.4 | 4 | Data sheet |
| 15CFHCM3-16 | 2.31 | M3x0.5 | M3x0.5 | 1.8 | 4.35 | 5.21 | 4.37 | 16 | 2.4 | 4 | Data sheet |
| 15CFHCM3-20 | 2.31 | M3x0.5 | M3x0.5 | 1.8 | 4.35 | 5.21 | 4.37 | 20 | 2.4 | 4 | Data sheet |
| 15CFHCM4-06 | 2.31 | M4x0.7 | M4x0.7 | 1.8 | 7.35 | 8.33 | 7.37 | 6 | 2.4 | 5.6 | Data sheet |
| 15CFHCM4-08 | 2.31 | M4x0.7 | M4x0.7 | 1.8 | 7.35 | 8.33 | 7.37 | 8 | 2.4 | 5.6 | Data sheet |
| 15CFHCM4-10 | 2.31 | M4x0.7 | M4x0.7 | 1.8 | 7.35 | 8.33 | 7.37 | 10 | 2.4 | 5.6 | Data sheet |
| 15CFHCM4-12 | 2.31 | M4x0.7 | M4x0.7 | 1.8 | 7.35 | 8.33 | 7.37 | 12 | 2.4 | 5.6 | Data sheet |
| 15CFHCM4-16 | 2.31 | M4x0.7 | M4x0.7 | 1.8 | 7.35 | 8.33 | 7.37 | 16 | 2.4 | 5.6 | Data sheet |
| 15CFHCM4-20 | 2.31 | M4x0.7 | M4x0.7 | 1.8 | 7.35 | 8.33 | 7.37 | 20 | 2.4 | 5.6 | Data sheet |
| 15CFHCM4-25 | 2.31 | M4x0.7 | M4x0.7 | 1.8 | 7.35 | 8.33 | 7.37 | 25 | 2.4 | 5.6 | Data sheet |
| 15CFHCM5-10 | 2.31 | M5x0.8 | M5x0.8 | 1.8 | 7.9 | 9.29 | 8.33 | 10 | 2.4 | 6.4 | Data sheet |
| 15CFHCM5-12 | 2.31 | M5x0.8 | M5x0.8 | 1.8 | 7.9 | 9.29 | 8.33 | 12 | 2.4 | 6.4 | Data sheet |
| 15CFHCM5-16 | 2.31 | M5x0.8 | M5x0.8 | 1.8 | 7.9 | 9.29 | 8.33 | 16 | 2.4 | 6.4 | Data sheet |
| 15CFHCM5-20 | 2.31 | M5x0.8 | M5x0.8 | 1.8 | 7.9 | 9.29 | 8.33 | 20 | 2.4 | 6.4 | Data sheet |
| 15CFHCM5-25 | 2.31 | M5x0.8 | M5x0.8 | 1.8 | 7.9 | 9.29 | 8.33 | 25 | 2.4 | 6.4 | Data sheet |
Fixi Srl with sole member - Company subject to the management and coordination activities of Berardi Bullonerie Srl
Via Bellardi 40/A - 10146 Torino (Italy) - Tel. +39 011 70.72.398 - +39 011 70.70.877 - Fax +39 011 70.72.521
Share Capital € 100.000 - Reg. Imp., Cod. Fisc. and P.IVA IT 13092700015 - Registration. in the Turin REA Companies Register N.1338440
Privacy Policy - Code of Ethics - Cookie Policy
For information and quotes: info@fixi.it
Ask for a quotation
Request sent
Thank you for your request.
Our staff will reply to you as soon as possible.
Product added to your wishlist
You added to your wishlist. Get a quotation for them by clicking the button Ask for a quotation.
